Pneumatic Angle Seat Valve
Y-shaped design, good circulation, small flow resistance, waterproof hammer
Quick response, good sealing, 360° rotation, visual window
Energy saving and environmental protection, self-cleaning function, safe and reliable, super long life
Suitable for important occasions such as food-grade filling, disinfection and sterilization, pharmaceutical and medical equipment
Product Description
Design Features
Y-shaped design, good circulation, small flow resistance, waterproof hammer
Quick response, good sealing, 360° rotation, visual window
Energy saving and environmental protection, self-cleaning function, safe and reliable, super long life
Suitable for important occasions such as food-grade filling, disinfection and sterilization, pharmaceutical and medical equipment
Technical Parameters
Nominal diameter: DN10~100mm
Valve body material: stainless steel 304, stainless steel 316
Medium temperature: W2:-20~80℃ W3:-20~250℃
Air source pressure: double acting, single acting: 4~8bar
Cylinder options: plastic actuator, stainless steel actuator
Nominal pressure: 1.0~1.6Mpa (If you need other pressure standards, please indicate when ordering)
Sealing material: polytetrafluoroethylene, para-polystyrene
Connection method: internal thread, flange, welding, clamp
Control mode: switch type, regulating type
Cylinder form: double acting, single acting (spring return)
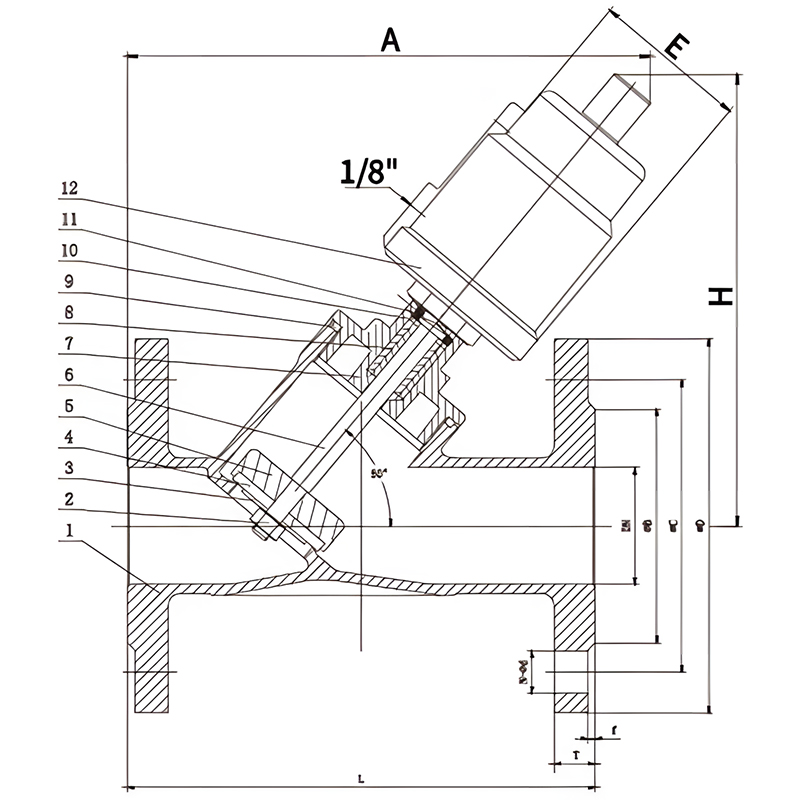
Main parts material list
| Serial Number | Part Name | Serial Number | Part Name |
| 1 | Window | 11 | Piston Spring |
| 2 | Indicator | 12 | Seal Components |
| 3 | Upper Cover | 13 | Guide Bush |
| 4 | Spring | 14 | Gasket |
| 5 | Piston | 15 | Piston Rod |
| 6 | Sealing Ring | 16 | Valve Core |
| 7 | Limiter | 17 | Valve Core Seal |
| 8 | Thread Sleeve | 18 | Stainless Steel Washer |
| 9 | Connecting Pipe | 19 | Valve Body |
| 10 | Valve Cover |

Dimensions Table
| Nominal Diameter DN | L | T | D | A | H | E | Actuator |
| 15 | 68 | 12 | 1/2 | 130 | 128 | 60 | 50 |
| 20 | 75 | 14 | 3/4 | 140 | 133 | 60 | 50 |
| 25 | 90 | 18 | 1 | 150 | 140 | 60 | 50 |
| 90 | 18 | 1 | 170 | 165 | 75 | 63 | |
| 32 | 110 | 18 | 11/4 | 180 | 175 | 75 | 63 |
| 40 | 115 | 18 | 11/2 | 190 | 178 | 75 | 63 |
| 115 | 18 | 11/2 | 210 | 200 | 95 | 80 | |
| 50 | 135 | 20 | 2 | 200 | 190 | 75 | 63 |
| 135 | 20 | 2 | 220 | 210 | 95 | 80 | |
| 65 | 182 | 24 | 21/2 | 260 | 230 | 95 | 80 |
| 182 | 24 | 21/2 | 300 | 300 | 116 | 100 | |
| 80 | 205 | 28 | 3 | 335 | 320 | 116 | 100 |

Threaded
| Nominal Diameter DN | L | T | f | D | C | B | N-Φd | A | H | E | Actuator |
| 15 | 120 | 14 | 2 | 95 | 65 | 40 | 4-Φ14 | 185 | 145 | 62 | Φ50 |
| 20 | 130 | 14 | 2 | 105 | 75 | 50 | 4-Φ14 | 188 | 155 | 62 | Φ50 |
| 25 | 140 | 14 | 2 | 115 | 85 | 60 | 4-Φ14 | 208 | 165 | 62 | Φ50 |
| 32 | 150 | 16 | 2 | 135 | 100 | 70 | 4-Φ18 | 225 | 195 | 76 | Φ63 |
| 40 | 180 | 16 | 2 | 145 | 110 | 80 | 4-Φ18 | 240 | 205 | 76 | Φ63 |
| 50 | 195 | 16 | 2 | 160 | 125 | 92 | 4-Φ18 | 265 | 228 | 76 | Φ63 |
| 65 | 230 | 18 | 2 | 185 | 145 | 115 | 4-Φ18 | 290 | 264 | 95 | Φ80 |
| 80 | 250 | 18 | 2 | 195 | 160 | 130 | 8-Φ18 | 330 | 300 | 114 | Φ100 |
| 100 | 280 | 18 | 2 | 215 | 180 | 150 | 8-Φ18 | 350 | 320 | 114 | Φ100 |

Flange Type
| Nominal Diameter DN | L | d | C | D | A | H | E | Actuator |
| 15 | 120 | 15 | 21 | 50.5 | 160 | 120 | 62 | Φ50 |
| 20 | 140 | 20 | 25 | 50.5 | 165 | 130 | 62 | Φ50 |
| 25 | 160 | 25 | 33 | 50.5 | 185 | 160 | 62 | Φ50 |
| 32 | 175 | 35 | 40 | 50.5 | 220 | 195 | 76 | Φ63 |
| 40 | 190 | 38 | 44 | 50.5 | 230 | 245 | 76 | Φ63 |
| 50 | 210 | 48 | 56 | 64.0 | 280 | 285 | 76 | Φ63 |
| 65 | 225 | 68 | 77 | 91.0 | 360 | 370 | 96 | Φ80 |

Clamp Type
| Nominal Diameter DN | L | D | d | A | H | E | Actuator |
| 15 | 100 | 19.5 | 15.5 | 155 | 120 | 62 | Φ50 |
| 20 | 120 | 26.5 | 21.5 | 160 | 130 | 62 | Φ50 |
| 25 | 140 | 32.5 | 28.5 | 185 | 160 | 62 | Φ50 |
| 32 | 155 | 38.5 | 33 | 215 | 195 | 76 | Φ63 |
| 40 | 170 | 52 | 46 | 225 | 245 | 76 | Φ63 |
| 50 | 190 | 64 | 57 | 300 | 295 | 96 | Φ80 |
| 65 | 200 | 77 | 68 | 320 | 350 | 96 | Φ80 |
| 80 | 220 | 92 | 82 | 350 | 385 | 114 | Φ100 |

Welded
English









