Pneumatic Thin-Type Ball Valve
Bi-directional sealing, bi-directional pressure bearing, automatic compensation, self-cleaning function
Product Description
Design Features
Ultra-thin design, lightweight and aesthetically pleasing, fast response, zero leakage
Fireproof and anti-static structure, precision casting with silica sol, safe and reliable
Complies with ISO5211 standard high platform design, extra-long service life
Bi-directional sealing, bi-directional pressure bearing, automatic compensation, self-cleaning function
Suitable for media containing fibers, particles, and high viscosity fluids
Technical Parameters
Nominal Diameter: DN15~100mm
Valve Body Material: Carbon steel, Stainless steel 304, Stainless steel 316
Medium Temperature: W2: -20~150℃, W3: -20~250℃
Actuation Type: Double-acting, Single-acting normally closed, Single-acting normally open
Nominal Pressure: 1.6Mpa (Please specify other pressure standards when ordering)
Sealing Material: PTFE, PPL
Connection Type: Wafer type
Control Method: Standard on/off type, Integrated regulating type, Integrated on/off type, Bus type
Main Parts Material List

| No. | Part Name | No. | Part Name |
| 1 | Valve body | 9 | V-ring packing |
| 2 | Valve cover | 10 | Nut |
| 3 | Ball | 11 | Gland |
| 4 | Valve seat | 12 | Bolt |
| 5 | Valve body gasket | 13 | Solenoid valve |
| 6 | Valve stem | 14 | Pneumatic actuator |
| 7 | Thrust washer | 15 | Filter regulator |
| 8 | O-ring | 16 | Limit switch |
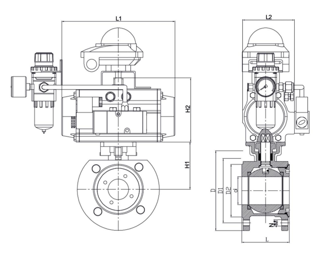
Dimension Drawing

Dimensions Table
| Nominal diameter(DN) | External dimensions | Connection dimensions | Actuator model | ||||||||
| d | L | L1 | L2 | H1 | H2 | D | D1 | D2 | N-M | ||
| 15 | 14 | 36 | 159/172 | 73/85 | 48 | 73/90 | 88 | 65 | 45 | 4-12 | AT52 |
| 20 | 19 | 40 | 159/172 | 73/85 | 53 | 73/90 | 98 | 75 | 58 | 4-12 | AT52 |
| 25 | 24 | 44 | 172/185 | 85/95 | 59 | 90/100 | 105 | 85 | 68 | 4-12 | AT63 |
| 32 | 29 | 52 | 185/215 | 95/105 | 71 | 100/110 | 130 | 100 | 78 | 4-16 | AT75 |
| 40 | 38 | 64 | 215/265 | 105/110 | 76 | 110/120 | 148 | 110 | 88 | 4-16 | AT83 |
| 50 | 48 | 83 | 215/270 | 105/125 | 85 | 110/142 | 165 | 125 | 102 | 4-16 | AT83 |
| 65 | 63.5 | 107 | 270/310 | 125/142 | 102 | 142/158 | 185 | 145 | 122 | 4-16 | AT105 |
| 80 | 76 | 120 | 270/310 | 125/142 | 112 | 142/158 | 200 | 160 | 138 | 8-16 | AT105 |
| 100 | 95 | 145 | 310/400 | 142/160 | 146 | 158/178 | 217 | 180 | 158 | 8-16 | AT125 |
English











