Pneumatic Ceramic Ball Valve
The three-piece flanged connection structure of the forged steel ceramic ball valve ensures highly flexible installation dimensions. The flange size and valve length can be customized according to customer needs, allowing the valve to connect directly to the user's pipeline without any modifications, thus saving installation costs.
Product Description
Product Overview
The three-piece flanged connection structure of the forged steel ceramic ball valve ensures highly flexible installation dimensions. The flange size and valve length can be customized according to customer needs, allowing the valve to connect directly to the user's pipeline without any modifications, thus saving installation costs.
All internal components of the valve (including the ball, seat, middle sleeve, flange lining, and stem) are designed and precisely manufactured and assembled to ensure that the valve body does not come into direct contact with the medium, effectively preventing corrosion, erosion, or wear of the valve body.
The sealing surfaces of the ceramic ball and ceramic seat are manufactured using advanced technology and processing equipment, and are precisely ground to ensure that all forged steel ceramic ball valves meet ANSI/FCI 70-2 Class VI (zero leakage) leakage standards upon delivery.
Forged steel valves are available with various actuation methods, including manual handle, bare stem, worm gear, pneumatic, and electric. The actuator mounting bracket dimensions are designed according to ISO 5211 standards, and special customer requirements are also accepted.
Corrosion Resistance
Alumina ceramics (>99% Al2O3), zirconia ceramics (ZrO2), silicon nitride ceramics (Si3N4), and pressureless sintered silicon carbide ceramics (SSiC), manufactured through cold isostatic pressing and high-temperature sintering, do not react chemically with most organic solvents and inorganic chemical media (except hydrofluoric acid), thus preventing contamination of the media. Sintered tungsten carbide ceramics (STC) possess excellent mechanical properties and thermal shock resistance, making them suitable for high-temperature, high-pressure, and high-wear conditions.
The excellent chemical stability of structural ceramic materials ensures that the physical and chemical properties of the ceramic ball valve components remain virtually unchanged even after long-term use in various highly corrosive media such as strong acids and bases.
Pressure Rating Range:
PN10, PN16, PN25, PN40, PN63, PN100;
ANSI CL150, CL300, CL600;
Design Standards:
Flange connection dimensions: GB/T 9113 - 2010, ASME B16.5
Valve structural length: GB/T 12221 - 2005, ASME B16.10
Valve inspection and testing: GB/T 13927 - 2008, JB/T 9092 - 1999, API 598
Nominal Diameter Range:
DN15 ~ DN300 / ANSI 1/2" ~ 12"
Technical Parameters

| No. | Name | Material | No. | Name | Material |
| 1 | Valve body | A105N, F304, F316, F316L | 14 | Bushings | F304/F316L/HastelloyC276 |
| 2 | Side cover | A105N, F304, F316, F316L | 15 | Packing | PTFE/Flexible graphite |
| 3 | Valve body nut | A194-2H/8 | 16 | Packing gland | F304/F316/F316L |
| 4 | Valve body stud | A193-B7/B8 | 17 | Valve stem | 17-4PH/F304/F316L/HastelloyC276 |
| 5 | Flange liner | Structural Ceramics | 18 | Packing gland cover | ASTM A351 CF8 |
| 6 | O-ring | Fluororubber/Silicone Rubber | 19 | Stud | A193-B7/B8 |
| 7 | O-ring | Fluororubber/Silicone Rubber | 20 | Nut | A194-2H/8 |
| 8 | Valve seat | Structural Ceramics | 21 | Bolt | SS304 |
| 9 | O-ring | Fluororubber/Silicone Rubber | 22 | Bracket | ASTM A351 CF8 |
| 10 | Valve ball | Structural Ceramics | 23 | Limit plate | SS304 |
| 11 | Intermediate sleeve | Structural Ceramics | 24 | Handle | AISI 1045/F304 |
| 12 | O-ring | Fluororubber/Silicone Rubber | 25 | Screw | SS304 |
| 13 | Gasket | PTFE |
Product Overview

| Caliber | (GB/T9113-2010 PN16,RF) | |||||||
| Installation dimensions | ||||||||
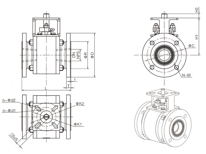
| DN | NPS | L | ΦD | ΦC | N-M | ΦR | T | f |
| DN15 | 1/2" | 108 | 95 | 65 | 4-M12 | 45 | 16 | 2 |
| 2DN20 | 3/4" | 117 | 105 | 75 | 4-M12 | 58 | 18 | 2 |
| DN25 | 1' | 127 | 115 | 85 | 4-M12 | 68 | 18 | 2 |
| DN32 | 1½" | 140 | 140 | 100 | 4-M16 | 78 | 18 | 2 |
| DN40 | 1½"" | 165 | 150 | 110 | 4-M16 | 88 | 18 | 3 |
| DN50 | 2" | 178 | 165 | 125 | 4-M16 | 102 | 18 | 3 |
| DN65 | 2½' | 190 | 185 | 145 | 4-M16 | 122 | 20 | 3 |
| DN80 | 3 | 203 | 200 | 160 | 8-M16 | 138 | 22 | 3 |
| DN100 | 4" | 229 | 220 | 180 | 8-M16 | 158 | 24 | 3 |
| DN125 | 5" | 356 | 250 | 210 | 8-M16 | 188 | 24 | 3 |
| DN150 | 6 | 394 | 285 | 240 | 8-M20 | 212 | 26 | 3 |
| DN200 | 8" | 457 | 340 | 295 | 12-M20 | 268 | 29 | 3 |
| DN250 | 10" | 533 | 405 | 355 | 12-M24 | 320 | 30 | 3 |
| DN300 | 12" | 610 | 460 | 410 | 12-M24 | 378 | 32 | 3 |
| (ASME B16.5CL 150.RF) | ||||||
| Installation dimensions | ||||||
| L | ΦD | ΦC | 4-M12 | ΦR | T | f |
| 108 | 90 | 60.3 | 4-M12 | 34.9 | 11.6 | 2 |
| 117 | 100 | 69.9 | 4-M12 | 42.9 | 13.2 | 2 |
| 127 | 110 | 79.4 | 4-M12 | 50.8 | 14.7 | 2 |
| 140 | 115 | 88.9 | 4-M12 | 63.5 | 16.3 | 2 |
| 165 | 125 | 98.4 | 4-M16 | 73.0 | 17.9 | 2 |
| 178 | 150 | 120.7 | 4-M16 | 92.1 | 19.5 | 2 |
| 190 | 180 | 139.7 | 4-M16 | 104.8 | 22.7 | 2 |
| 203 | 190 | 152.4 | 4-M16 | 127.0 | 24.3 | 2 |
| 229 | 230 | 190.5 | 8-M16 | 157.2 | 24.3 | 2 |
| 356 | 255 | 215.9 | 8-M20 | 185.7 | 24.3 | 2 |
| 394 | 280 | 241.3 | 8-M20 | 215.9 | 25.9 | 2 |
| 457 | 345 | 298.5 | 8-M20 | 269.9 | 29.0 | 2 |
| 533 | 405 | 362.0 | 12-M24 | 323.8 | 30.6 | 2 |
| 610 | 485 | 431.8 | 12-M24 | 381.0 | 32.2 | 2 |

A
Ceramic Spherical Seal

The ceramic valve ball and valve seat are precisely ground to form a spherical seal, with a surface roughness of Ra 0.1–0.2. Coupled with the high hardness and self-lubricating properties of the structural ceramic, this ensures that the valve's leakage level can reach zero leakage (Class VI), while the opening and closing torque is far less than that of metal-sealed ball valves and soft-sealed ball valves of the same specifications, preventing valve ball breakage due to excessive torque.
The ceramic valve ball and seat are in complete contact without any gaps. During the valve closing process, a shearing force is generated, which can cut off fibers and other impurities in the medium, preventing solid particles and other impurities from becoming trapped between the sealing surfaces and causing the valve to jam or seize.
B
O-shaped balls and V-shaped balls

Forged steel ceramic ball valves include two different valve ball structures: O-type and V-type.
Generally, O-type valve balls are mainly used for shut-off valves; V-type valve balls are mainly used for flow control valves.
The V-shaped valve ball has equal percentage flow control characteristics, providing stable control performance at small openings, and is suitable for applications requiring high precision and stability in flow control. At the same time, the V-shaped valve ball can cut off particles, fibers, and other impurities in the medium, and has a self-cleaning function for the sealing
surface.
In applications where high precision flow control is not required, O-type ceramic ball valves can also be used as flow control valves.
Flow coefficient Cv value

Flow characteristic curve diagram of V-shaped ceramic ball valve

English











