Pneumatic Three-Way Internal Thread Ball Valve
Bidirectional sealing, bidirectional pressure bearing, automatic compensation, self-cleaning function
Product Description
Design Features
Full bore design, fast response, zero leakage
Fireproof and anti-static structure, silica sol precision casting, safe and reliable
Complies with ISO5211 standard high platform design, ultra-long service life
Bidirectional sealing, bidirectional pressure bearing, automatic compensation, self-cleaning function
Valve core adopts L-type and T-type, meeting the requirements of different working conditions
Technical Parameters
Nominal diameter: DN15~800mm
Valve body material: Stainless steel 304, Stainless steel 316
Medium temperature: W2: -20~150℃ W3: -20~250℃
Actuation type: Double acting, single acting normally closed, single acting normally open
Nominal pressure: 1.6~4.0Mpa (Please specify other pressure standards when ordering)
Sealing material: PTFE, PEEK
Connection method: Internal thread, clamp, flange
Control method: Standard on/off type, integrated regulating type, integrated on/off type, bus type
Main Parts Material List

| No. | Part Name | No. | Part Name |
| 1 | Valve body | 9 | Packing |
| 2 | Valve cover | 10 | Nut |
| 3 | Ball | 11 | Gland |
| 4 | Valve seat | 12 | Bolt |
| 5 | Seal ring | 13 | Solenoid valve |
| 6 | Valve stem | 14 | Pneumatic actuator |
| 7 | Thrust washer | 15 | Filter regulator |
| 8 | O-ring | 16 | Limit switch |
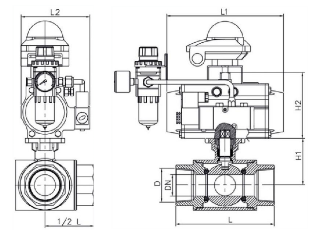
Dimension Drawing

Dimensions Table
| Nominal diameter(DN) | in | External dimensions | Actuator model | |||||
| d | L | L1 | L2 | H1 | H2 | |||
| 15 | 1/2" | 10 | 70 | 159/172 | 73/85 | 46 | 73/90 | AT52 |
| 20 | 3/4" | 15 | 85 | 159/185 | 85/95 | 49 | 73/100 | AT52 |
| 25 | 1" | 20 | 90 | 172/215 | 85/105 | 61 | 90/110 | AT52 |
| 32 | 1 1/4" | 25 | 120 | 185/265 | 95/105 | 62 | 100/105 | AT63 |
| 40 | 1 1/2" | 32 | 140 | 215/270 | 105/125 | 77 | 110/142 | AT75 |
| 50 | 2" | 40 | 155 | 215/270 | 105/125 | 83 | 110/142 | AT83 |
| 65 | 2 1/2" | 64 | 200 | 270/310 | 125/142 | 100 | 142/158 | AT92 |
| 80 | 3" | 73 | 240 | 270/310 | 125/142 | 120 | 142/158 | AT125 |
| 100 | 4” | 100 | 310/465 | 142/178 | 135 | 158/100 | AT125 | |
English











