Pneumatic Eccentric Expansion Butterfly Valve
The pneumatic expanding butterfly valve adopts an inductive inflation module and an adaptive valve seat sealing structure. When the valve opens or operates, a gap is maintained between the valve disc and the valve seat, preventing friction on the sealing surface; after closing, the inflation module automatically inflates the valve seat airbag, forming a uniform sealing pressure.
Product Description
Features
The pneumatic expanding butterfly valve adopts an inductive inflation module and an adaptive valve seat sealing structure. When the valve opens or operates, a gap is maintained between the valve disc and the valve seat, preventing friction on the sealing surface; after closing, the inflation module automatically inflates the valve seat airbag, forming a uniform sealing pressure. The sealing ring design accommodates abrasive particles, reducing wear on the sealing surface.
This valve uses a shaftless through-seal design, forming a 360° continuous sealing ring, and features wear compensation, resulting in a service life of over 3 million cycles. Even if the valve seat or valve disc is worn due to material erosion, it can still maintain effective sealing.
Suitable for slurries, powders, granules, and gas-solid two-phase media, it effectively reduces downtime caused by valve maintenance and improves system reliability.
Technical Parameters
Connection Type: Wafer
Nominal Diameter: DN50-DN350
Maximum Working Pressure: 10 bar
Standard Working Pressure: Full vacuum ~ 8 bar (depending on site air supply)
Flange Standard: HG/T20592-2009, ASME B16.5, JIS B2220
Upper Flange: PN10/16 150LB 10K
Seal Test: ISO 5208 Category 3, API 598 Table 5
Temperature Range: -20℃ to +260℃ (depending on pressure, medium and material)
Operating Device: Pneumatic cylinder
Torque: Varies depending on the medium and application
Main Components Are Available In Various Materials.
| No. | Component | Material Description | Standard | Corrosion / Abrasion Resistance & Temperature Notes |
| 1 | Valve Body | 304 | ASTM A351 CF8 | Corrosion & abrasion resistant |
| 304 Tungsten Carbide Coated | ASTM A351 CF8 + WC | Pickling & passivation | ||
| 304 Ceramic Coated | ASTM A351 CF8 + TC | Internal ceramic coating, external pickling & passivation | ||
| 304 Halar Coated | ASTM A351 CF8 + Halar | Internal ceramic coating, external pickling & passivation | ||
| 2 | Valve Plate | 304 | ASTM A351 CF8 | Internal Halar coating / external pickling & passivation |
| 304 Tungsten Carbide Coated | ASTM A351 CF8 + WC | Pickling & passivation | ||
| 304 Ceramic Coated | ASTM A351 CF8 + TC | Tungsten carbide coating | ||
| 304 Halar Coated | ASTM A351 CF8 + Halar | Ceramic coating | ||
| 304 Nickel Alloy 60 (Ni60) | ASTM A351 CF8 + Ni60 | Halar coating | ||
| 3 | Valve Seat | Wear-resistant Polypropylene | −20 °C ~ 120 °C | |
| FKM | SS431 | −20 °C ~ 260 °C | ||
| 4 | Valve Shaft | 431 | SS431 | |
| 5 | Gland | 304 | ASTM A351 CF8 | Pickling & passivation |
| 6 | Bottom Cover | 304 | ASTM A351 CF8M | Pickling & passivation |
| 7 | Packing | RPTFE with 25% carbon fiber reinforced | RPTFE | Max temperature: 200 °C |
| 8 | Bearing | Engineering wear-resistant plastic | −20 °C ~ 300 °C | |
| 9 | Bolts | Stainless steel | SS304 |
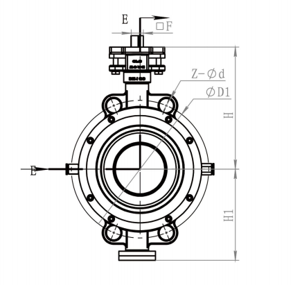
Product Installation Dimensions

Pneumatic Inflatable Quick-Install Butterfly Valve – Dimension Chart
| DN | Standard: GB (10/16) | H | H1 | L | F | |
| ΦD1 (mm) | Z–d | |||||
| BQD50 | φ125 | 4–φ18 | 180 | 115 | 54 | 9 |
| BQD65 | φ145 | 4–4φ18 | 180 | 115 | 56 | 11 |
| BQD80 | φ160 | 8–Φ18 | 201 | 123 | 58 | 11 |
| BQD100 | φ180 | 8–18 | 215 | 150 | 63 | 14 |
| BQD125 | φ210 | 8–Φ18 | 230 | 160 | 65 | 14 |
| BQD150 | φ240 | 8–Φ22 | 240 | 160 | 65 | 17 |
| BQD200 | φ295 | 8–φ22 / 12–22 | 278 | 193 | 71 | 17 |
| BQD250 | φ350 / 4355 | 12–22 / 12–φ26 | 317 | 236 | 77 | 22 |
| BQD300 | φ400 / 4410 | 2–422 / 12–26 | 380 | 274 | 83.5 | 27 |
| BQD350 | φ460 / Φ470 | 6–422 / 16–26 | 410 | 305 | 95 | 27 |
English











